どんどん進化するUSB。
登場したときは「外付けI/F新しいのが出てきたなー」と思っていましたが、
いろんな技術を取り込んで、カオスに進化しました。
GPD Pocketが採用するUSB-Cについて調べ始めると止まらなくなったため、
全3回(予定)にわたってUSBを1.0から自分用にまとめてみます。
多分既に同種のまとめが多数存在しそうですが、自分の勉強用としてまとめます。
内容に関しては私makoroが理解するためにまとめたもので、
内容の正当性については保証しません。
●はじめに
基本的にはWebの文章、USB-IFの公式文章を引用する形とする。
内容としては、
第1回:USBの各規格、速度について
第2回:USB-Cについて
第3回:USB経由での給電について
の3回。USB-Cと給電は個別にまとめないといけないほど奥が深い。
●USB各世代の名称、各世代での通信速度について
以下より抜粋。
- USB1.0/1.1:Low Speed:1.5Mbps
- USB1.0/1.1:Full Speed:12Mbps
- USB2.0 High Speed:480Mbps
- USB3.0 Super Speed:5Gbps
- USB3.1 Super Speed+:5Gbps(Gen1)、10Gbps(Gen2)
- Wireless USB 480Mbps(3m)、110Mbps(10m)、MB-OFDM変調による無線通信
USB3.1と一口に言っても、Gen1はUSB3.0と同じ5Gbpsの模様。
説明書等にGenが書いていない場合、要調査。
※USB1.0とUSB1.1は電源仕様以外は同一のようなので、
以降はUSB1.xと表記します。
●USBのホストコントローラの仕様
PC向けを列挙。こちらも以下より抜粋。
USB3.1配下記事中にあるものを抜粋
GIGABYTEに聞く、 Skylakeマザーの新機能と「Intel製」USB 3.1コントローラの優位性 - AKIBA PC Hotline!
- USB1.x UHCI:Intelが開発、Intel/VIAで採用
- USB1.x OHCI:Microsoft、NS、COMPAQが開発、Intel/VIA以外が採用
- USB2.0 EHCI:Intel開発、ContributerがCOMPAQ,Lucent,Microsoft,NEC
- USB3.0 xHCI:Intel開発
- Wireless USB WHCI:Intel開発
- USB3.1 名称不明(xHCI?):Intelが開発したもの(Alpine Ridge、DSL6540、本来はThunderbolt用コントローラ、USB3.1も持っている)、AsMediaが開発したもの(ASM1142)等がある模様
ホストコントローラはUSB規格の中では扱われておらず、
便宜的に各開発者が名称を決定している?
また、基本的に上位互換のため、USB3.0/3.1にUSB2.0/1.xを挿しても動作する(ハズ)
●USBコネクタの形状について
コネクタは3種類に分類される(A/B/C)
Mini/Microコネクタはそれぞれ接頭語を付けて表す
(例:MicroBコネクタ)
USB1.x/2.0では4ピン、USB3.0では+5ピンが追加。
追加されたピンは
・StaA_SSRX-/+:SuperSpeed受信(差動(ディファレンシャル)受信)
・GND_DRAIN:グランド(Ground for signal return)と表記あり
・StdA_SSTX-/+:SuperSpeed送信(差動(ディファレンシャル)送信)
参考:USB3.1 Specifications1.0 5.3.1.3 Pin Assignments and Description
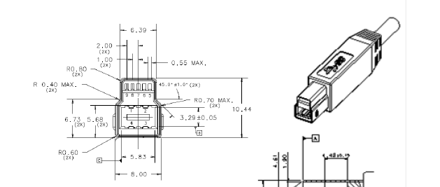
・Aタイプ:ホスト側コネクタ(PC側、コントローラ側、Upstrream側)
Standard-Aプラグ、Standard-Aレセプタクルの寸法図
・Bタイプ:デバイス側コネクタ(Downstream側)
Standard-Bプラグ、StandardB-レセプタクル寸法図
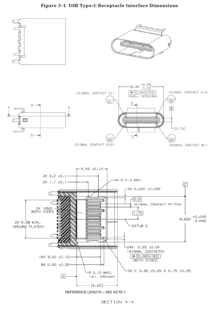
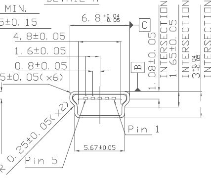
・Cタイプ:ホスト/デバイス共通、裏表なし(どちら側でも差し込める)
Cプラグ寸法図
Cレセプタクル寸法図
なお、USB-CにはUSB2.0プロトコルのみをサポートしたケーブルが存在するが、
このケーブルのためのCプラグも規定されている
USB1.x/2.0にはそれぞれのコネクタに対して、Standard、Mini、Microがある。
USB3.0に関してはStandard、Microのみ。MicroはB、もしくはAB共用のコネクタ(MicroAB)の規定となる
(USB3.1仕様にminiBが仕様として見当たらず)
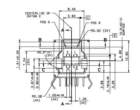
・mini-Bプラグ/レセプタクル(USB2.0)
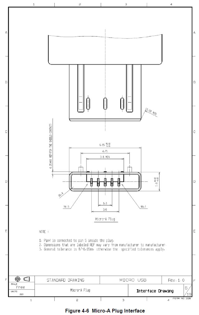
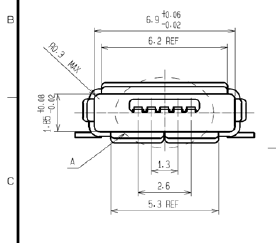
・MicroAプラグ/ABレセプタクル(USB2.0)
ABレセプタクル:MicroA/MicroB双方のプラグを接続することができるレセプタクル。
・MiroBプラグ/レセプタクル(USB2.0)
・MicroAプラグ/ABレセプタクル(USB3.0)
・MicroBプラグ/Bレセプタクル(USB3.0)
参考(寸法図引用元):
・USB3.1 Specifications 1.0 Section「5.3 Connector Mating Interfaces」
Figure 5-1,5-4,5-9,5-10,5-12
・USB Type-C Specification Release 1.2
Figure 3-1,3-3,3-9
・USB 2.0 Specification Engineering Change Notice (ECN) #1: Mini-B connector
Figure6-11
・Universal Serial Bus Micro-USB Cables and Connectors Specification Rev1.01
Figure 4-6,
●その他
・USB On-the-Go(USB OTG)
USBデバイス同士 を相互に接続する規格。
マルチロールデバイスというホストにもデバイスにもなれる機器があり、
USB OTG動作時にはホスト/デバイスの動的な切り替えが行われる。
PCと接続時は基本的にデバイスとしての動作、
デバイスとの接続時には基本的にホストとして振る舞う。
●参考URL
・USB Specifications
Universal Serial Bus 3.1Specification Revision 1.0 July 26, 2013
(文中ではUSB3.1 Specification 1.0と表記)
Universal Serial Bus Specification Revision 2.0 April 27, 2000
(文中ではUSB Specification 2.0と表記)
●まとめ
・USBの進化とともにとんでもなく高速化(1.1Low Speed→USB3.1 Gen2で6666倍)
・USB3.1はGen1/2で速度が違うので注意
・Type-Cで表裏どちらでも差し込める革新がもたらされる
速度や規格だけをまとめるとこれくらい。
次回以降のUSB Type-CやPDに比べると、まだすっきりと理解できる。
第2弾はこちら
Anker PowerPort 4 (40W 4ポート USB急速充電器) 【急速充電 / iPhone&Android対応 / 折畳式プラグ搭載】(ホワイト)
- 出版社/メーカー: Anker
- メディア: エレクトロニクス
- この商品を含むブログ (1件) を見る

















